گیره بغل میز گردان سایز 50 میلیمتر سندان دار...
گیره کار سی C شکل نجاری کلمپ سه سایز 1-2-3 اینچ...
برای دیدن آخرین اخبار پیچ اینستاگرام و کانال تلگرام دنبال کنید جهت عضویت بر روی هر عنوان کلیک یا لمس کنید.
ارسال سفارشات معمولا در روز و یا فردای درج سفارش در سایت رهسپاری میشوند مگر در روزهای تعطیل و یا فردای تعطیل ممکن هست با تاخیر مواجه شوند.
توجه : ارسال رایگان برای خرید بالای 2 میلیون تومان با پست به کل ایران و پیک موتوری برای تبریز میباشد.
پاسخگویی تلفنی در ساعات 9:00 الی 17:00 با شماره 04134444149 ممکن میباشد.
خرید حضوری در دفتر ساعات 09:00 الی 17:00 امکان پذیر میباشد.
قیمت و موجودی سایت به روز میباشد و بدون نیاز به استعلام میتوانید خرید خود را ثبت کنید.
خارج از تایم کاری اگر سوالی دارید چت آنلاین سایت در پایین سمت راست در خدمت شما میباشد و یا میتوانید به واتساپ یا روبیکا شماره های 09129735256 - 09120146259 پیام ارسال فرمایید لازم به ذکر هست بعد از ارسال پیام نیازی به تماس نمیباشد در اسرع وقت پاسخگویی انجام خواهد شد.
اگر نیاز به رهگیری و پیگیری سفارش خود دارید با 09148059929 بصورت تلفنی یا ارسال پیام در واتساپ در ارتباط باشید.
سریع ترین روش ارسال به ترتیب ماهکس ، تیپاکس و پست میباشد.
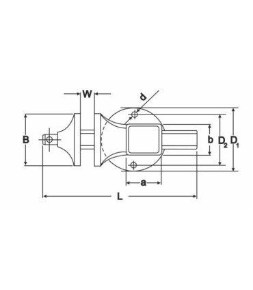
قطعات از فولاد کربنی و به روش آهنگری (فورج)
دارای سندان بزرگ و فکهای آج دار سختکاری شده
خط کش مدرج بر روی کشویی ناودانی شکل،امکان تشخیص و تنظیم سریع دهانه فکها
دارای قابلیت تجهیز فکهای گوناگون جهت بهره برداریهای متفاوت
مجهز به مکانیزم تنظیم خلاصی کشوئی ناودانی شکل
مطابق با استاندارد ملی ایران با شماره 9224

لطفا ابتدا وارد شوید.
ورود به سیستمیک حساب کاربری رایگان برای استفاده از لیست علاقه مندی ها ایجاد کنید.
ورود به سیستم